Skip to main content

Design of 8-bit Bi-Directional Register


Design of 8-bit Bi-Directional Register

A shift register is a sequential circuit that stores digital data and moves stored bits in a specific direction. It is widely used in serial data transfer, data conversion (SIPO/PISO), arithmetic operations, and delay elements. It consists of cascaded flip-flops sharing a common clock.

The basic types of shift registers are:

  • SIPO: Serial In, Parallel Out
  • PISO: Parallel In, Serial Out
  • PIPO: Parallel In, Parallel Out
  • Bi-directional shift registers

Data Transfer Types

Serial Transfer: Data is transferred one bit at a time over a single line.

Parallel Transfer: Data is transferred simultaneously over multiple lines.

Shift Operations

Right Shift: Moves bits toward LSB (divides by 2).

Left Shift: Moves bits toward MSB (multiplies by 2).

Rotation: Circular shifting of data using feedback.

Left shift operation
Left Shift Operation
Right shift operation
Right Shift Operation

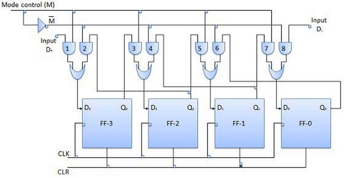
Bi-Directional Shift Register

A bidirectional shift register allows shifting data in both directions. It includes control logic to select left or right shifting using a mode control input.

4-bit bidirectional shift register circuit
Fig.1: Circuit Diagram of Shift Register
  • Left shift multiplies a number by 2
  • Right shift divides a number by 2
  • Control input determines shift direction
Bi-directional shift register circuit
Fig.2: Bi-Directional Shift Register

Operation Table

S.N. Condition Operation
1 M = 1 (Shift Right) Data shifts right with each clock pulse
2 M = 0 (Shift Left) Data shifts left with each clock pulse

Circuits / Block Diagram

Block diagram of bidirectional shift register
Fig.3: Block Diagram of Bi-Directional Shift Register

Observations & Data

Write and simulate the VHDL code, generate RTL schematic, and observe waveform outputs using Test Bench Waveform.

Procedure

Follow Xilinx ISE steps for coding, simulation, and synthesis.

Conclusion

The bidirectional shift register was successfully implemented using VHDL. Simulation results matched expected behavior, confirming correct left and right shift operations.

People are good at skipping over material they already know!

View Related Topics to







Contact Us

Name

Email *

Message *

Popular Posts

BER vs SNR for M-ary QAM, M-ary PSK, QPSK, BPSK, ...(MATLAB Code + Simulator)

📘 Overview of BER and SNR 🧮 Online Simulator for BER calculation 🧮 MATLAB Code for BER calculation 📚 Further Reading 📂 View Other Topics on M-ary QAM, M-ary PSK, QPSK ... 🧮 Online Simulator for Constellation Diagram of m-ary QAM 🧮 Online Simulator for Constellation Diagram of m-ary PSK 🧮 MATLAB Code for BER calculation of ASK, FSK, and PSK 🧮 MATLAB Code for BER calculation of Alamouti Scheme 🧮 Different approaches to calculate BER vs SNR What is Bit Error Rate (BER)? The abbreviation BER stands for Bit Error Rate, which indicates how many corrupted bits are received compared to the total number of bits sent. BER = (number of bits received in error) / (total number of transmitted bits) What is Signal-to-Noise Ratio (SNR)? SNR is the ratio of signal power to noise powe...

Comparing Baseband and Passband Implementations of m-ary QAM

  Let's assume your original digital message bitstream is: 0, 0, 1, 0, 0, 0, 1, 0, 1, 1 In 4-QAM, we group them into pairs: (00), (10), (00), (10), (11). Your baseband symbols are: Symbol 1 (Bits 00): -1.00 - j1.00 Symbol 2 (Bits 10): 1.00 - j1.00 Symbol 3 (Bits 00): -1.00 - j1.00 Symbol 4 (Bits 10): 1.00 - j1.00 Symbol 5 (Bits 11): 1.00 + j1.00   To transmit these symbols over a wireless medium, we modulate this baseband signal onto a high-frequency carrier (e.g., 50 Hz). This process creates the passband signal , where the information is stored in the phase and amplitude of the sine wave. Fig 1: 4-QAM Baseband I and Q Components Fig 2: 4-QAM Passband Modulated Signal   In this example, the symbol rate is 5 symbols per second. Detailed Explanation 4-QAM Constellation Mapping In standard 4-QAM mapping, bits are converted to complex points on a grid: Bits...

Comparing Baseband and Passband Implementations of ASK, FSK, and PSK

📘 Overview 🧮 Baseband and Passband Implementations of ASK, FSK, and PSK 🧮 Difference betwen baseband and passband 📚 Further Reading 📂 Other Topics on Baseband and Passband ... 🧮 Baseband modulation techniques 🧮 Passband modulation techniques   Baseband modulation techniques are methods used to encode information signals onto a baseband signal (a signal with frequencies close to zero). Passband techniques shift these signals to higher carrier frequencies for transmission. Here are the common implementations: Amplitude Shift Keying (ASK) [↗] : In ASK, the amplitude of the signal is varied to represent different symbols. Binary ASK (BASK) is a common implementation where two different amplitudes represent binary values (0 and 1). ASK is simple but susceptible to noise. ASK Baseband (Digital Bits) ASK Passband (Modulated Carrier)     Fig 1:  ASK Passband Modulation (...

Amplitude, Frequency, and Phase Modulation Techniques (AM, FM, and PM)

📘 Overview 🧮 Amplitude Modulation (AM) 🧮 Online Amplitude Modulation Simulator 🧮 MATLAB Code for AM 🧮 Q & A and Summary 📚 Further Reading Amplitude Modulation (AM): The carrier signal's amplitude varies linearly with the amplitude of the message signal. An AM wave may thus be described, in the most general form, as a function of time as follows: When performing amplitude modulation (AM) with a carrier frequency of 100 Hz and a message frequency of 10 Hz, the resulting peak frequencies are as follows: 90 Hz (100 - 10 Hz), 100 Hz, and 110 Hz (100 + 10 Hz). Figure: Frequency Spectrums of AM Signal (Lower Sideband, Carrier, and Upper Sideband) A low-frequency message signal is modulated with a high-frequency carrier wave using a local oscillator to make communication possible. DSB, SSB, and VSB are common amplitude modulation techniques. We find a lot of bandwidth loss in DSB. The bandwidth of S...

Shannon Limit Explained: Negative SNR, Eb/No and Channel Capacity

Understanding Negative SNR and the Shannon Limit Understanding Negative SNR and the Shannon Limit An explanation of Signal-to-Noise Ratio (SNR), its behavior in decibels, and how Shannon's theorem defines the ultimate communication limit. Signal-to-Noise Ratio in Shannon’s Equation In Shannon's equation, the Signal-to-Noise Ratio (SNR) is defined as the signal power divided by the noise power: SNR = S / N Since both signal power and noise power are physical quantities, neither can be negative. Therefore, the SNR itself is always a positive number. However, engineers often express SNR in decibels: SNR(dB) When SNR = 1, the logarithmic value becomes: SNR(dB) = 0 When the noise power exceeds the signal power (SNR < 1), the decibel representation becomes negative. Behavior of Shannon's Capacity Equation Shannon’s channel capacity formula is: C = B log₂(1 + SNR) For SNR = 0: log₂(1 + SNR) = 0 When SNR becomes smaller (in...

Analog vs Digital Modulation Techniques | Advantages of Digital ...

Modulation Techniques Analog vs Digital Modulation In our previous discussion, we explored the necessity of modulation. In this article, we focus on the fundamental differences between analog and digital modulation. The primary distinction is that digital modulation uses a discrete digital signal to modify the carrier, whereas analog modulation uses a continuous analog signal. Advantages of Digital Modulation over Analog Modulation Bandwidth Efficiency: Digital techniques (like QAM) can transmit more data within a limited frequency range. Noise Resistance: Digital signals have superior resistance to noise because they can be perfectly regenerated. Multiplexing: It is much easier to multiplex various data types (audio, video, text) into a single digital stream. Higher SNR: Better noise immunity leads to a higher Signal-to-Noise Ratio (SNR). Increased Throughput: Modern digital techniques provide significantly higher data ...

ASK, FSK, and PSK (with MATLAB + Online Simulator)

📘 Overview 📘 Amplitude Shift Keying (ASK) 📘 Frequency Shift Keying (FSK) 📘 Phase Shift Keying (PSK) 📘 Which of the modulation techniques—ASK, FSK, or PSK—can achieve higher bit rates? 🧮 MATLAB Codes 📘 Simulator for binary ASK, FSK, and PSK Modulation 📚 Further Reading ASK or OFF ON Keying ASK is a simple (less complex) Digital Modulation Scheme where we vary the modulation signal's amplitude or voltage by the message signal's amplitude or voltage. We select two levels (two different voltage levels) for transmitting modulated message signals. For example, "+5 Volt" (upper level) and "0 Volt" (lower level). To transmit binary bit "1", the transmitter sends "+5 Volts", and for bit "0", it sends no power. The receiver uses filters to detect whether a binary "1" or "0" was transmitted. ...

Calculation of SNR from FFT bins in MATLAB

📘 Overview 🧮 MATLAB Code for Estimation of SNR from FFT bins 🧮 MATLAB Code for SNR from PSD using Kaiser Window 📚 Further Reading Here, you can find the SNR of a received signal from periodogram / FFT bins using the Kaiser operator. The beta (β) parameter characterizes the Kaiser window, which controls the trade-off between the main lobe width and the side lobe level. Steps Set up the sampling rate and time vector Compute the FFT and periodogram Calculate the frequency resolution and signal power Exclude the signal power from noise calculation Compute the noise power and SNR MATLAB Code for Estimation of SNR from FFT bins clc; clear; close all; % Parameters fs = 8000; f_tone = 1000; N = 8192; t = (0:N-1)/fs; % Generate signal + noise signal = sin(2*pi*f_tone*t); SNR_true_dB = 20; signal_power = mean(signal.^2); noise_power = signal_power / (10^(SNR_true_dB/10)); noisy_signal = signal + sqrt(noise_power) * randn(1, N); % Apply ...